宝鸡市辰晖金属材料有限公司
中文版
|
English
首 页
公司简介
公司介绍
组织机构
企业文化
新闻中心
公司新闻
行业动态
产品中心
齿科钛棒
钛锻造件
钛法兰
钛机加工件
钛管件
钛泵阀
钛板
钛管
镍,锆,钽,铌
质量体系
生产工艺
联系方式
新闻中心
公司新闻
行业动态
当前位置:
首页
>>
新闻中心
>>
公司新闻
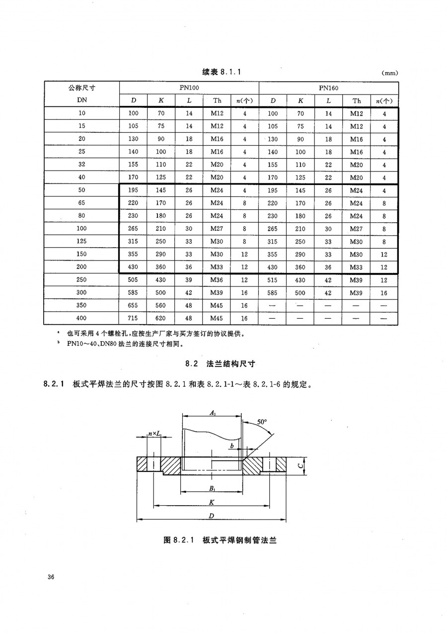
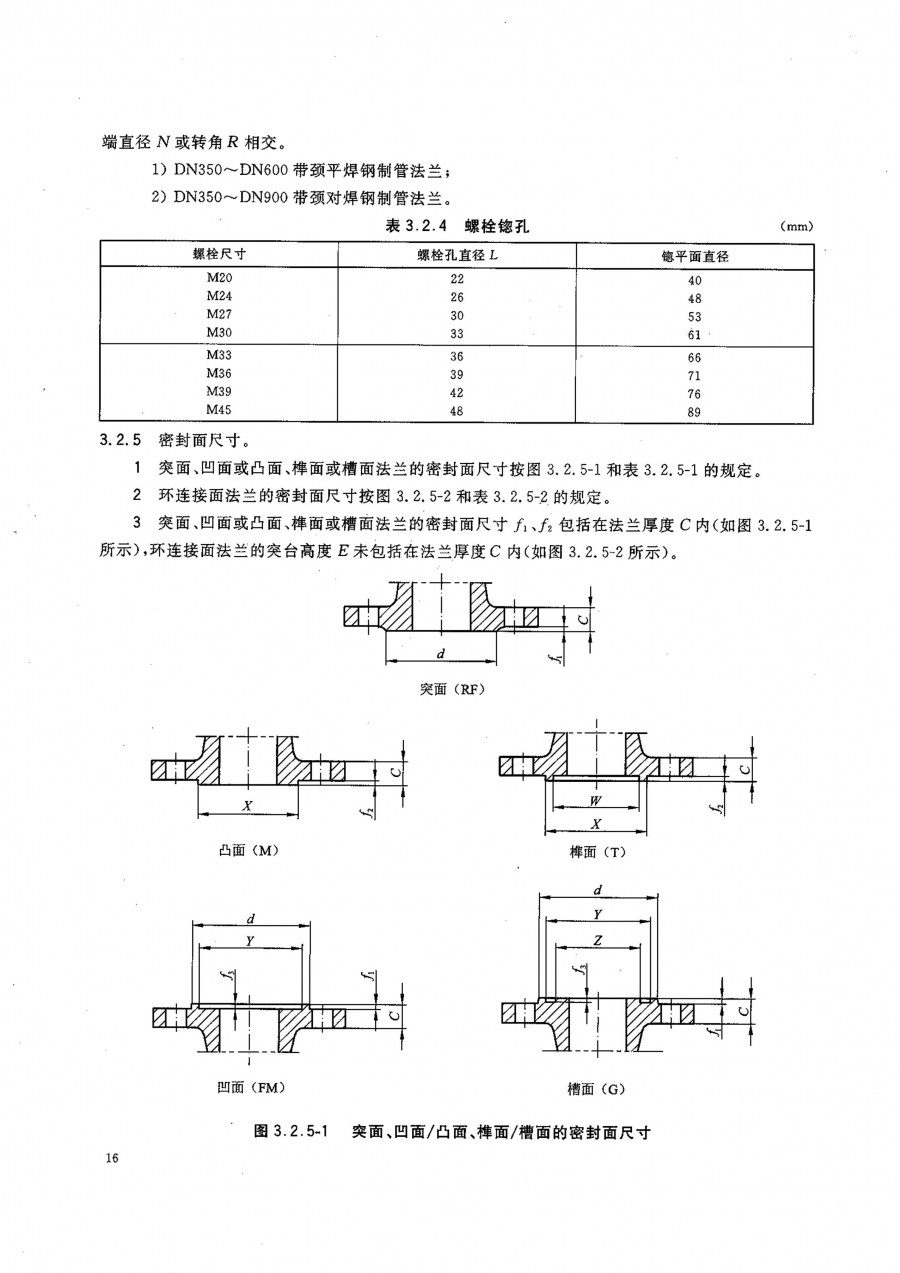
HGT 20592~20635-2009 钢制管法兰、垫片和紧固件
[ 信息发布:管理员 | 发布时间:2019-09-28 | 浏览:
1820
次 ]
[上一篇] 标准椭圆封头下料尺寸
[下一篇] 钛管件,钛管道的种类
微信联系我
公司简介
公司介绍
组织机构
企业文化
新闻中心
公司新闻
行业动态
产品中心
齿科钛棒
钛锻造件
钛法兰
钛机加工件
钛管件
钛泵阀
钛板
钛管
镍,锆,钽,铌
联系我们
宝鸡市辰晖金属材料有限公司
地址:陕西省宝鸡市高新开发区钛城路中段(郭家村)
手机:18700763094 15686998677
邮箱:1984639170@qq.com
电话:0917-3632690
版权所有:宝鸡市辰晖金属材料有限公司
陕ICP备17004419号
网站总访问量:2742952 今日访问量:409 技术支持
:
世纪网络